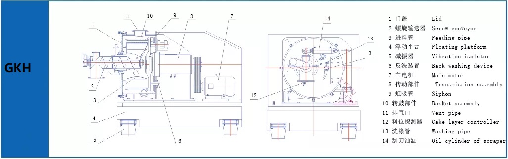
Vantagens da centrífuga descascadora de sifão
Fase de alimentação: Como pode regular livremente a taxa de filtração, a taxa de filtração é reduzida durante a fase de alimentação para evitar
distribuição uniforme do bolo.
Fase de filtração: O tubo de sifão está no nível inferior. Com a altura da coluna Hu de líquido adicional, a taxa de inclinação é aumentada,
e assim a capacidade de processamento é aumentada em 50% ao mesmo tempo.
Fase de lavagem: A entrada do tubo de sifão está em um nível mais alto com menos força de pressão de filtração sendo gerada. O líquido de lavagem flui lentamente para prolongar o tempo de permanência do líquido de lavagem na torta de filtro, reduzindo assim a perda do líquido de lavagem e trazendo melhores efeitos de lavagem.
Fase de centrifugação: A entrada do tubo de sifão está na parte inferior com a força máxima de filtração, portanto, a umidade
contido na torta de filtro pode ser facilmente removido e a umidade da torta de filtro é reduzida.
Função de retrolavagem: Depois que o raspador descarrega o material, o sifão pode injetar o líquido de lavagem na câmara de sucção do lado de fora e, em seguida, forçar o líquido a fluir para a cesta para lavagem. Obtenha um bom desempenho de lavagem do pano de filtro com forte capacidade de regeneração.
Características dos produtos
◇Controle PLC para monitoramento a longa distância; operação com tela sensível ao toque e diálogo homem-máquina para fácil manutenção e operação. ◇Elementos de ação com controle elétrico-pneumático/hidráulico automático. ◇Proteção de segurança: inclui monitoramento da velocidade de rotação, proteção contra vibração excessiva, proteção contra abertura da tampa, proteção contra sobrecarga e superaquecimento do motor, controle duplo mecânico e elétrico para o raspador. ◇Caixa da máquina soldada, estrutura de design forte e racional. ◇Todas as vedações são feitas de borracha fluorosa e borracha de silicone. ◇Estação hidráulica independente pode ser instalada separadamente, fácil de reparar. ◇Acionamento com acoplamento hidráulico (GK1250 e maior) para partida estável e controle simples, protegendo efetivamente o motor contra danos relacionados à sobrecarga. Inicialização do inversor opcional para controle de velocidade variável. ◇Flutuante plataforma com base de absorção de vibração de borracha; O absorvedor de vibração de amortecimento de líquido também está disponível com excelentes efeitos de absorção, garante a operação estável da centrífuga e reduz os riscos impostos ao equipamento e ao ambiente pela vibração da centrífuga. ◇Dois modos de descarga disponíveis: descarga de calha de construção simples; e descarga através do transportador de rolagem e raspador com alta taxa de captura de torta sólida e efetivamente evita o bloqueio.◇ A centrífuga GKH Peeler oferece força de pressão do sifão que torna a filtração mais rápida. O dispositivo de retrolavagem está disponível para lavagem e regeneração do meio filtrante. O dispositivo de desnatação também está disponível para se adequar à separação de materiais colóides contendo proteínas.




Bem-vindo a todos os que se preocupam com a separação e filtragem para trabalhar conosco, e também estamos procurando os agentes qualificados em todo o mundo para fornecer um melhor serviço e marketing profundo.
Copyright © 2025 Shenzhou Group Co., Ltd/Liaoyang Shenzhou Machinery Equipment Co., Ltd - www.lnszjx.com Todos os direitos reservados.辽ICP备18010813号-1