Centrifuge & Separator
VR
  • Products Details

Utilizing technology makes the manufacturing process go smoothly and efficiently.With regard to the product advantages, the product can be widely found in the field(s) of High Performance Stainless Steel Extraction Perforated Industrial Laboratory Basket Centrifuge PSB450. Designed by professional designers, High Performance Stainless Steel Extraction Perforated Industrial Laboratory Basket Centrifuge PSB450 is attractive in its appearance. Influenced by the market trends and customers' requirements, the design of Decanter centrifuge,Disc Centrifuge,Tubular Centrifuge,Plate Centrifuge is made to be unique. It adopts the raw materials that have been tested to conform to the quality standards, which guarantees its quality from the source.

Place of Origin:Liaoning, ChinaType:Centrifuge
Product Type:PlantCondition:New
Video outgoing-inspection:ProvidedMachinery Test Report:Provided
Marketing Type:New Product 2020Warranty of core components:1 Year
Core Components:PLC, Bearing, MotorBrand Name:Shenzhou
Voltage:380vPower:1.5kw
Weight:800Dimension(L*W*H):1500*900*800cm
Warranty:1 YearKey Selling Points:Easy to Operate
Applicable Industries:Manufacturing Plant, Food Shop, Food & Beverage Shops, Centrifuge, chemical, Food industryShowroom Location:None
Certification:GMP/CE

Products Description

PQSB/PQSF PLATFORM BASE TOP DISCHARGE CENTRIFUGES

OPERATING PRINCIPLE
Once the materials to be separated enter the fast - spinning basket, it will be filtrated by the filter liner under the centrifugal
force. The liquid flows out through the liquid outlet, but solids deposit on the internal wall of the basket. Once the solid cake reaches the rate capacity, feeding stops. Wash the solids cake, and then drain out the washing water. Finally stop the machine. The solid cake is discharged manually and move to next batch.

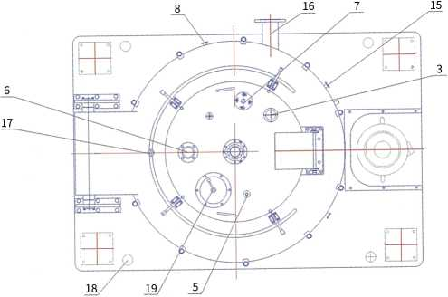
1 Motor 2 Little cover 3 Vent pipe 4 Explosion-proflight
5 Nitrogen pipe 6 Feeding pipe 7 Washing pipe 8 Later washing pipe
9 Big lid 10 Baskat 11 Lid opening device 12 Base
13 Liquid-damping vibration isolator 14 Transmission 15 Bottom CIP pipe 16 Drain pipe
17 Top CIP pipe 18 Lifting point 19 sight glass
Feature:
* With full- turnover cover design and polished surface leaves no residual heel. The case, fixing parts and basket are made of stainless steel. It is easy to clean the gap between the case and the basket.
* Platform base design lowers the center of gravity and requires minimum installation space. The platform base can be used for operation platform.
* Liquid - damping vibration isolators, simplify the routine maintenance.
* Full-turnover hinged cover, feeding pipe, washing pipe, observation glass and light. Automatic CIP system (optional) cleans the internal surface of the case, the basket and liquid slot to meet the clean requirement in accordance with GMP standards.
* Wide range of applications No damage to the particle shape.
* Inverter start-up, smooth starting, adjustable relative centrifugal force. Tightness structure with silicone rubber or
fluoroelastomers seals. Nitrogen protection system (optional) is for anti-explosion applied to poisonous, flammable and explosive environment.
* It can be configured with manual, hydraulic and a variety of forms of flip.
Specification
Model
PQSB450
PQSB600
PQSB800
PQSB1000
PQSB1250
Basket Dia(mm)
450
600
800
1000
1250
Basket Volume(L)
20
45
100
150
310
Max load(kg)
30
60
150
200
380
Max Rotating speed(r/min)
1900
1500
1200
1100
1250
Centrifuge force
910
755
645
680
700
Motor(kw)
1.5
3
7.5
11
18.5
Dimension(LxWxH)(mm)
1500*900*800
1900*1300*1300
2200*1400*1350
2450*1500*1400
3000*1800*1700
Weight(kg)
800
1100
2000
2500
4000
Product Display
Product packaging
Pre-sale Service
● Provide 24-hour technical consulting reply;○ Provide professional quoted price;
● Provide detailed product performance specification;
○ According to product’s using condition, technicians will offer rationalization proposals to assist clients to select proper
product types;
● Provide other corollary equipment according to client requirements.
In-sale Service
● Begin to supervise from raw material, its qualified rate can reach to 100%;
○ Whole manufacturing process are in strict accordance with promised procedure requirements, product qualified rate can reach to 100%;
● Provide product’s inspection record of key junctures to customers;
○ Provide production schedule photos to customers at regular intervals;
● Package and transport products strictly accordance with export standard;
○ Provide transportation schedule information to clients timely.
After-sale Service
● Provide targeted installation video;
○ Under the premise of correct installation, normal maintenance and using, we guarantee one-year warranty period;
● When warranty period has expired, our sold products enjoys lifetime guarantee repair, we only charge cost price for changing product’s standard component and sealing component;
○ During installation and adjustment period, our after-sale service staff will communicate with customers frequently to know product’s running state in time. Assist customers to install and adjust products until customers are satisfied;
● If product has malfunction during operation period, we’ll offer you satisfied answer in time. We’ll reply you within 1 hour
and provide solution or send staff to spot within 24 hours after receiving maintenance notification.
○ Lifelong free technical support. Conduct satisfaction survey and inquiry equipment running condition to clients by telephone or e-mail semiannually from the first day of equipment running, put on records of acquired information;
● Provide assistant service if product is damaged during transportation.
FAQ
1. What certificates do you have?
We can provide CE, ISO 9001, etc

2. What is the warranty period of the equipment?
Normally 1 year warranty.

3. Can we visit your factory?
Of course, we sincerely invite you to visit, If it's not convenient for you to come to our factory, you can also visit by
telephone video conference.

4. What's payment you accept?
A4: T/T, Western Union, L/C, Ali Pay, etc

5. Can it be customized?
Of course, our equipment can be customized according to the actual requirements of customers.
Basic Information
  • Year Established
    --
  • Business Type
    --
  • Country / Region
    --
  • Main Industry
    --
  • Main Products
    --
  • Enterprise Legal Person
    --
  • Total Employees
    --
  • Annual Output Value
    --
  • Export Market
    --
  • Cooperated Customers
    --

Recommended

Send your inquiry

LEAVE A MESSAGE

Welcome all who care engaged in the separation and filtration to work with us,and we are also looking for the qualified world wide agents to provide better service and deep marketing.

Send your inquiry

Choose a different language
English
Español
Português
русский
한국어
français
العربية
Deutsch
日本語
Current language:English